
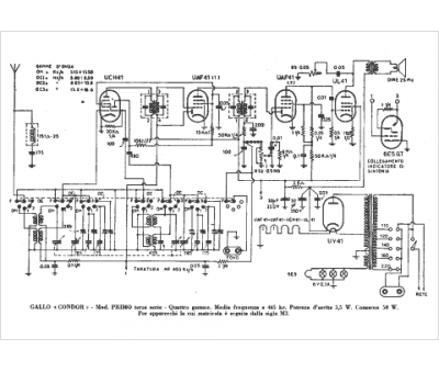
Marque :
Gallo Condor
Modèle :
Primo série III
Type appareil :
récepteur à tubes
Pays d'origine :
Italie
