
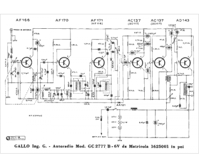
Marque :
Gallo Condor
Modèle :
GC 2777 B
Type appareil :
récepteur à tubes
Pays d'origine :
Italie
