
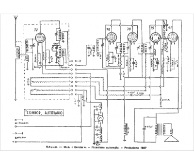
Marque :
Gallo Condor
Modèle :
Autoradio
Type appareil :
récepteur à tubes
Pays d'origine :
Italie
