
Marque :
Funkton
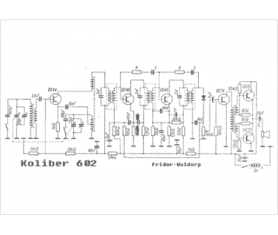
Modèle :
Koliber 602
Type appareil :
récepteur à tubes
Pays d'origine :
Autriche, Suisse
