
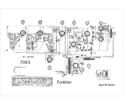
Marque :
Funkton
Modèle :
7083
Type appareil :
récepteur à tubes
Pays d'origine :
Autriche, Suisse
