
Marque :
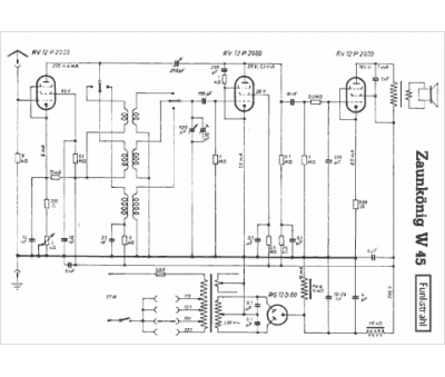
Funkstrahl
Modèle :
Zaunkönig W 45
Type appareil :
récepteur à tubes
Pays d'origine :
Allemagne
