
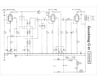
Marque :
															Funkstrahl																																															
														Modèle :
																Zaunkönig G45																																	
															Type appareil :
																récepteur à tubes
															Pays d'origine :
																Allemagne
															