
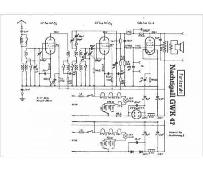
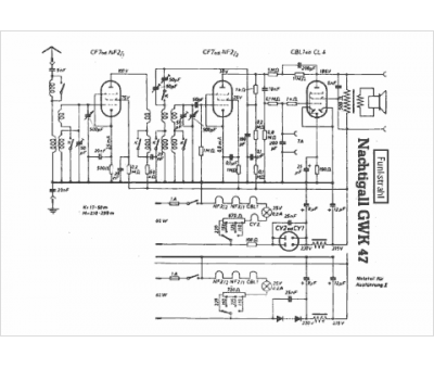
Marque :
Funkstrahl
Modèle :
Nachtigall GWK 47
Type appareil :
récepteur à tubes
Pays d'origine :
Allemagne
