
Marque :
Funkmechanik
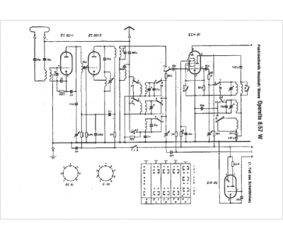
Modèle :
Operette 8-57 W
Type appareil :
récepteur à tubes
Pays d'origine :
Allemagne
