
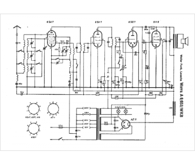
Marque :
Funk
Modèle :
Werra A 6-653-WKB
Type appareil :
récepteur à tubes
Pays d'origine :
Allemagne
