
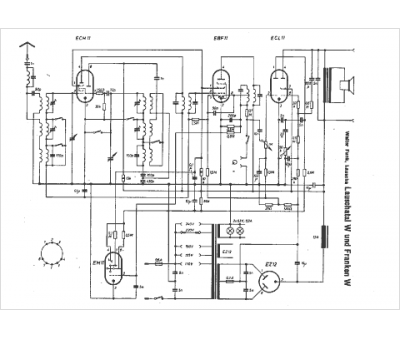
Marque :
Funk
Modèle :
Lauschatal W
Type appareil :
récepteur à tubes
Pays d'origine :
Allemagne
