
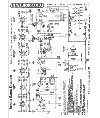
Marque :
Ford
Modèle :
M-4B
Type appareil :
récepteur à tubes
Année :
1954
Pays d'origine :
États-Unis
