
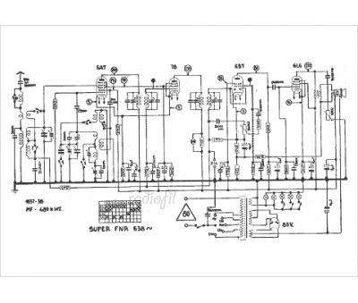
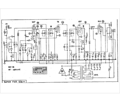
Marque :
FNR
Modèle :
super 638
Type appareil :
récepteur à tubes
Année :
1937
Pays d'origine :
Belgique
