
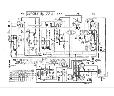
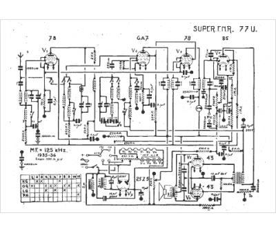
Marque :
FNR
Modèle :
77 U
Type appareil :
récepteur à tubes
Année :
1935
Pays d'origine :
Belgique
