
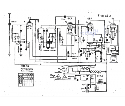
Marque :
FNR
Modèle :
65 U
Type appareil :
récepteur à tubes
Année :
1935
Pays d'origine :
Belgique
