
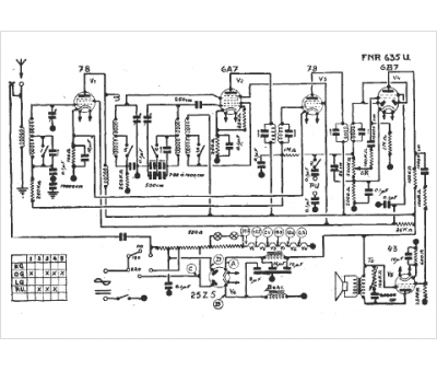
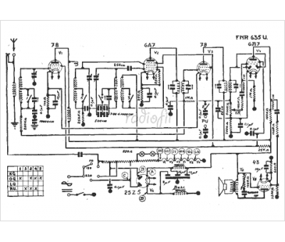
Marque :
FNR
Modèle :
635 U
Type appareil :
récepteur à tubes
Année :
1937
Pays d'origine :
Belgique
