
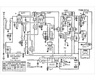
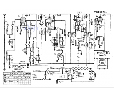
Marque :
FNR
Modèle :
177 U
Type appareil :
récepteur à tubes
Année :
1936
Pays d'origine :
Belgique
