
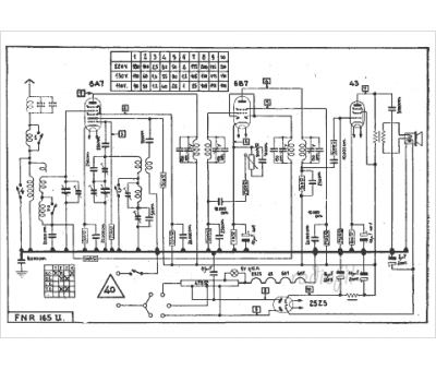
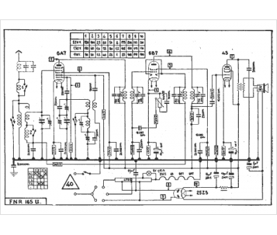
Marque :
FNR
Modèle :
165 U
Type appareil :
récepteur à tubes
Pays d'origine :
Belgique
