
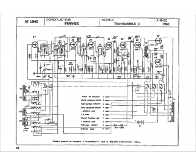
Marque :
Firvox
Modèle :
Transmobile
Type appareil :
récepteur à tubes
Année :
1960
