
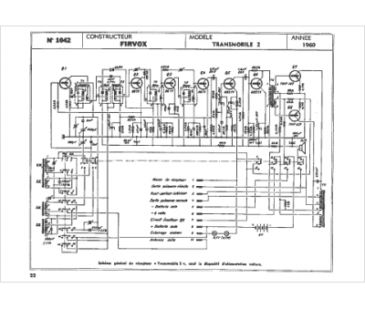
Marque :
Firvox
Modèle :
Firvox Transmobile
Type appareil :
auto-radio à transistors
