
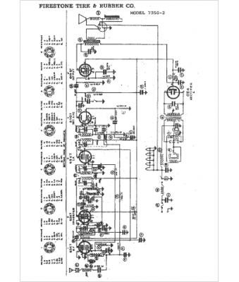
Marque :
Firestone
Modèle :
7350-2
Type appareil :
récepteur à tubes
Année :
1942
Pays d'origine :
États-Unis
