
Marque :
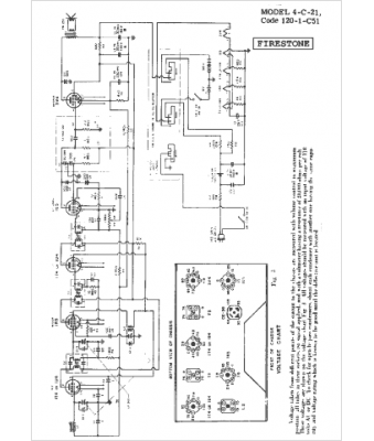
															Firestone																																															
														Modèle :
																4-C-21																																	
															Type appareil :
																récepteur à tubes
															Année :
																1952
															Pays d'origine :
																États-Unis
															