
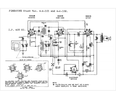
Marque :
															Firestone																																															
														Modèle :
																4-A-102																																	
															Type appareil :
																récepteur à tubes
															Pays d'origine :
																États-Unis
															