
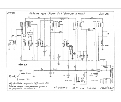
Marque :
Finet
Modèle :
Super 5+1
Type appareil :
récepteur à tubes
Pays d'origine :
France
