
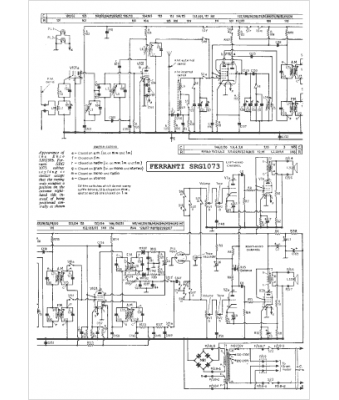
Marque :
Ferranti
Modèle :
SRG 1073
Type appareil :
récepteur à tubes
Pays d'origine :
Grande-Bretagne
