Retour à l'accueil
 
 
Recherche de schémas
Collection CD/DVD

Service schémathèque 

2 documents correspondent à votre recherche.

Caractéristiques de l'appareil
Marque :
Ferisol
Modèle :
LG 102
Type appareil :
appareil de mesure
2 documents correspondant à cet appareil
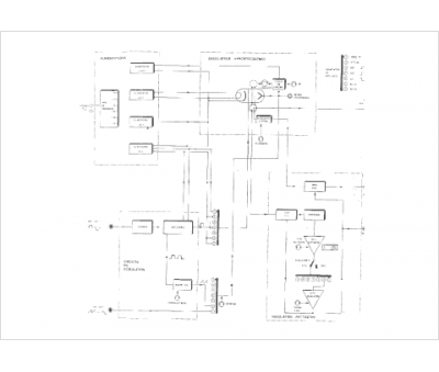
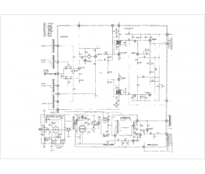
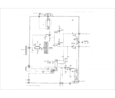
Notice Ferisol LG 102
38 pages.
Document présent dans Rétro-docs 6 Acheter
En ligne, disponible en téléchargement Télécharger
no photo
Ferisol LG 102, LG 202
Langue  : français
81 pages. — Poids : 405 g. — Frais postaux indicatifs : 7,06 €
Document mesure accessible en prêt Demander
La consultation de cet espace schémathèque est en accès libre.