Retour à l'accueil
 
 
Recherche de schémas
Collection CD/DVD

Service schémathèque 

1 document correspond à votre recherche.

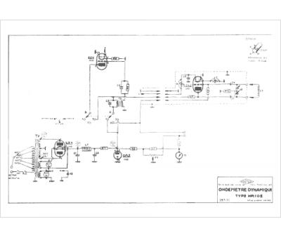
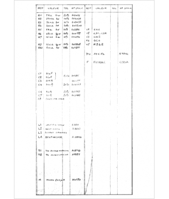
Caractéristiques de l'appareil
Marque :
Ferisol
Modèle :
HR 102
Type appareil :
appareil de mesure
1 document correspondant à cet appareil
Notice Ferisol HR 102
22 pages.
Document présent dans Rétro-docs 6 Acheter
En ligne, disponible en téléchargement Télécharger
La consultation de cet espace schémathèque est en accès libre.