Retour à l'accueil
 
 
Recherche de schémas
Collection CD/DVD

Service schémathèque 

2 documents correspondent à votre recherche.

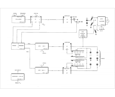
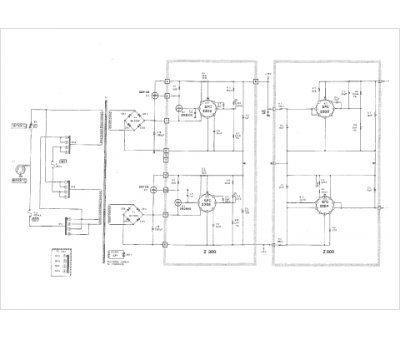
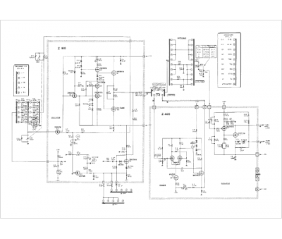
Caractéristiques de l'appareil
Marque :
Ferisol
Modèle :
C 903 T
Type appareil :
appareil de mesure
2 documents correspondant à cet appareil
Notice Ferisol C 903 T
27 pages.
Document présent dans Rétro-docs 6 Acheter
En ligne, disponible en téléchargement Télécharger
no photo
Ferisol C 903 T
Langue  : français
40 pages. — Poids : 200 g. — Frais postaux indicatifs : 4,71 €
Document mesure accessible en prêt Demander
La consultation de cet espace schémathèque est en accès libre.