
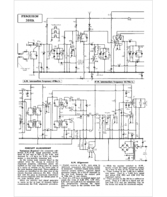
Marque :
Ferguson
Modèle :
388 A Futura
Type appareil :
récepteur à tubes
Pays d'origine :
Grande-Bretagne
