
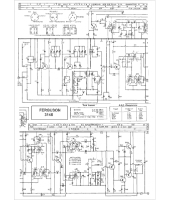
Marque :
Ferguson
Modèle :
3148 President
Type appareil :
récepteur à tubes
Pays d'origine :
Grande-Bretagne
