
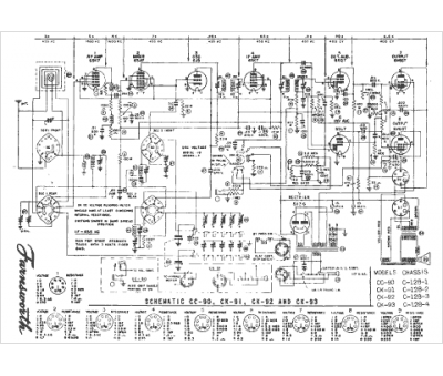
Marque :
Farnsworth
Modèle :
CK-91
Type appareil :
récepteur à tubes
Pays d'origine :
États-Unis
