
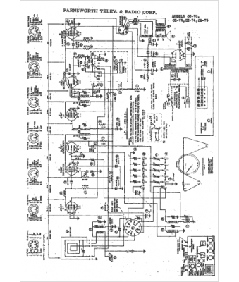
Marque :
Farnsworth
Modèle :
CK-73
Type appareil :
récepteur à tubes
Année :
1942
Pays d'origine :
États-Unis
