
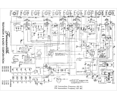
Marque :
															Farnsworth																																															
														Modèle :
																C-194																																	
															Type appareil :
																récepteur à tubes
															Année :
																1948
															Pays d'origine :
																États-Unis
															