
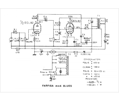
Marque :
Farfisa
Modèle :
Blues
Type appareil :
récepteur à tubes
Pays d'origine :
Italie
