
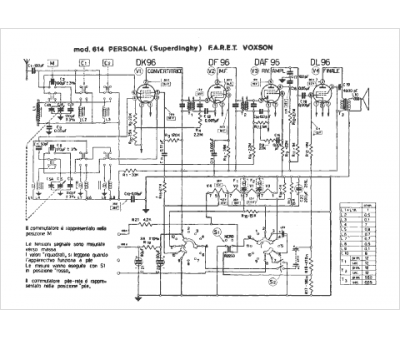
Marque :
Faret-Voxson
Modèle :
Superdinghy
Type appareil :
récepteur à tubes
Pays d'origine :
Italie
