
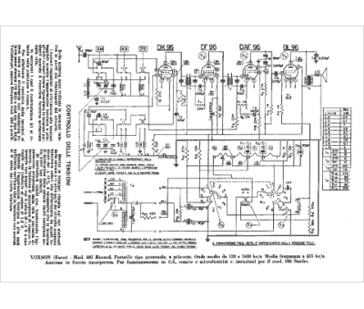
Marque :
Faret-Voxson
Modèle :
601 Record
Type appareil :
récepteur à tubes
Pays d'origine :
Italie
