
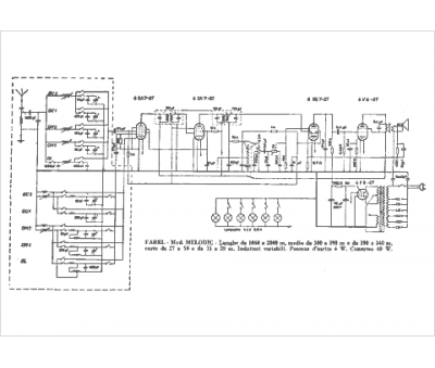
Marque :
Farel
Modèle :
Melodic
Type appareil :
récepteur à tubes
Pays d'origine :
Italie
