
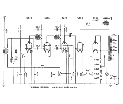
Marque :
Faraday Zodiac
Modèle :
Aurora
Type appareil :
récepteur à tubes
Pays d'origine :
Italie
