
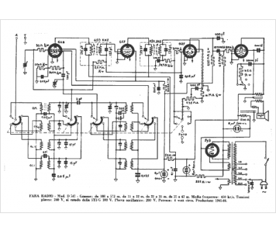
Marque :
Fara
Modèle :
D 541
Type appareil :
récepteur à tubes
Pays d'origine :
Italie
