
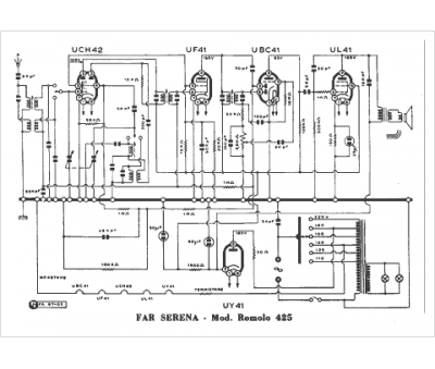
Marque :
															Far Serena																																															
														Modèle :
																Romolo 425																																	
															Type appareil :
																récepteur à tubes
															Pays d'origine :
																Italie
															