
Marque :
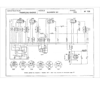
Familial Radio
Modèle :
Rainbow 631
Type appareil :
récepteur à tubes
Année :
1952
