
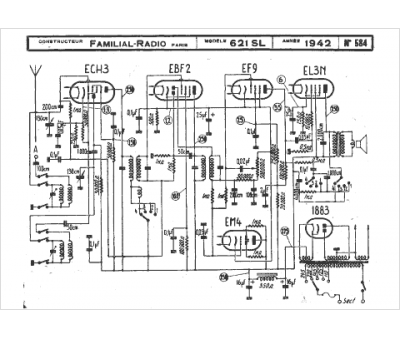
Marque :
Familial Radio
Modèle :
621 sl
Type appareil :
récepteur à tubes
Année :
1942
