
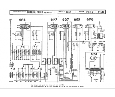
Marque :
Familial Radio
Modèle :
610
Type appareil :
récepteur à tubes
Année :
1937
