
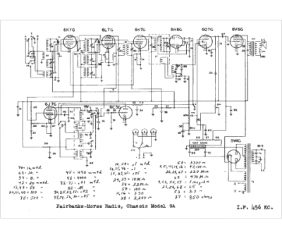
Marque :
Fairbanks Morse
Modèle :
9A
Type appareil :
récepteur à tubes
Année :
1938
Pays d'origine :
États-Unis
