
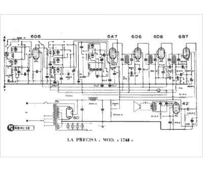
Marque :
Fada La Precisa
Modèle :
G 1743
Type appareil :
récepteur à tubes
Pays d'origine :
Italie
