
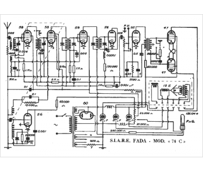
Marque :
Fada La Precisa
Modèle :
74 C
Type appareil :
récepteur à tubes
Pays d'origine :
Italie
