
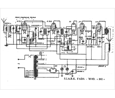
Marque :
Fada La Precisa
Modèle :
361
Type appareil :
récepteur à tubes
Pays d'origine :
Italie
