
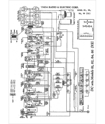
Marque :
Fada
Modèle :
82
Type appareil :
récepteur à tubes
Année :
1931
Pays d'origine :
France, États-Unis
