
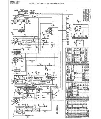
Marque :
Fada
Modèle :
1583
Type appareil :
récepteur à tubes
Année :
1935
Pays d'origine :
France, États-Unis
