
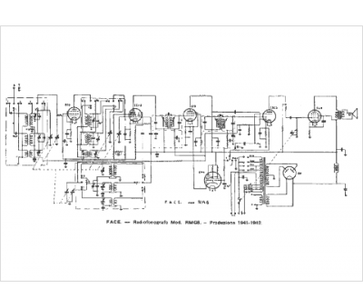
Marque :
Face
Modèle :
RMG 6
Type appareil :
récepteur à tubes
Pays d'origine :
Italie
